Ви дивилися
Мова:
Валюта:
Клієнту
Мова:
Валюта:
+380 67 192 74 72
Наша адреса
ДП «Абпланалп Україна», вул. Козацька 120/4, 03022, Київ, Україна
Телефони
Графік роботи
  • інтернет замовлення приймаємо цілодобово
  • Відділ продажу
  • ПН - ПТ з 9 до 18
  • СБ-НД - вихідний
E-mail
Ми в соцмережах
Перейти до контактів
0 0
Каталог
Каталог
Головна
Дивилися
20
Закладки
0
Порівняти
0
Контакти

Дриль SC 8.50 3xD HA

Виробник: Kyocera Код товару: 126586
0
Все про товар
Опис
Характеристики
Відгуки 0
Питання0
Дриль SC 8.50 3xD HA
Дриль SC 8.50 3xD HA
Дриль SC 8.50 3xD HA
Дриль SC 8.50 3xD HA
В наявності
7 933.6 грн.
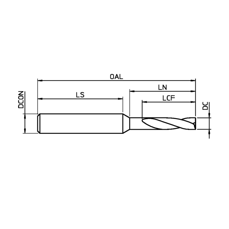
Внутрішній теплоносій:Ні.
Глибина свердління (Rdd):3xD
Діаметр (DC):ø8.50 мм
Діаметр хвостовика (DCON:10.00 мм
Довжина флейти (LCF):38.0 мм
Доставка
Курʼєром по Київу
Курʼєром по Київу Доставимо в день отримання
Новою Поштою у відділення та поштомати
Новою Поштою у відділення та поштомати
за тарифами перевізника
Оплата
оплата за рахунком оплата за рахунком
Дриль SC 8.50 3xD HA
7 933.6 грн.
Опис
КДЗ0850X3.0S100N
Характеристики
Характеристики
Внутрішній теплоносій
Ні.
Глибина свердління (Rdd)
3xD
Діаметр (DC)
ø8.50 мм
Діаметр хвостовика (DCON
10.00 мм
Довжина флейти (LCF)
38.0 мм
Загальна довжина (OAL)
80 мм
Кількість флейт
2
Матеріал інструменту
Твердий сплав
Матеріал заготовки
Алюміній <12% Si / Латунь / Бронза / Чавун / Мідь / Загартована сталь < 50 HRC / Сталь 1300 - 1600 Н/мм / Сталь < 1100 - 1300 Н/мм
Покриття
Покритий
Точковий кут (SIG)
180 °
Відгуки

Відгуків про цей товар ще не було.

Немає відгуків про цей товар, станьте першим, залиште свій відгук.

Питання та відповіді
Додайте питання, і ми відповімо найближчим часом.

Немає питань про даний товар, станьте першим і задайте своє питання.

Нещодавно переглянуте
Дриль SC 5.30 3xD HA
В наявності
0
4 589.5 грн.
Дриль SC 4.30 5xD HA
В наявності
0
2 442.4 грн.
ВХПК 2 010 051 04 L080
Немає в наявності
0
0.0 грн.
Чотириразова револьверна головка RD1
Немає в наявності
0
0.0 грн.
Зонд SARA 3D, аналоговий SAVEplus, 133 мм
Немає в наявності
0
0.0 грн.
VHDR 4 080 090 08 03 L16
Немає в наявності
0
0.0 грн.
7 933.6 грн.