Ви дивилися
Мова:
Валюта:
Клієнту
Мова:
Валюта:
+380 67 192 74 72
Наша адреса
ДП «Абпланалп Україна», вул. Козацька 120/4, 03022, Київ, Україна
Телефони
Графік роботи
  • інтернет замовлення приймаємо цілодобово
  • Відділ продажу
  • ПН - ПТ з 9 до 18
  • СБ-НД - вихідний
E-mail
Ми в соцмережах
Перейти до контактів
0 0
Каталог
Каталог
Головна
Дивилися
10
Закладки
0
Порівняти
0
Контакти

Дриль SC 9.10 3xD HA

Виробник: Kyocera Код товару: 126810
0
Все про товар
Опис
Характеристики
Відгуки 0
Питання0
Дриль SC 9.10 3xD HA
Дриль SC 9.10 3xD HA
Дриль SC 9.10 3xD HA
Дриль SC 9.10 3xD HA
В наявності
7 933.6 грн.
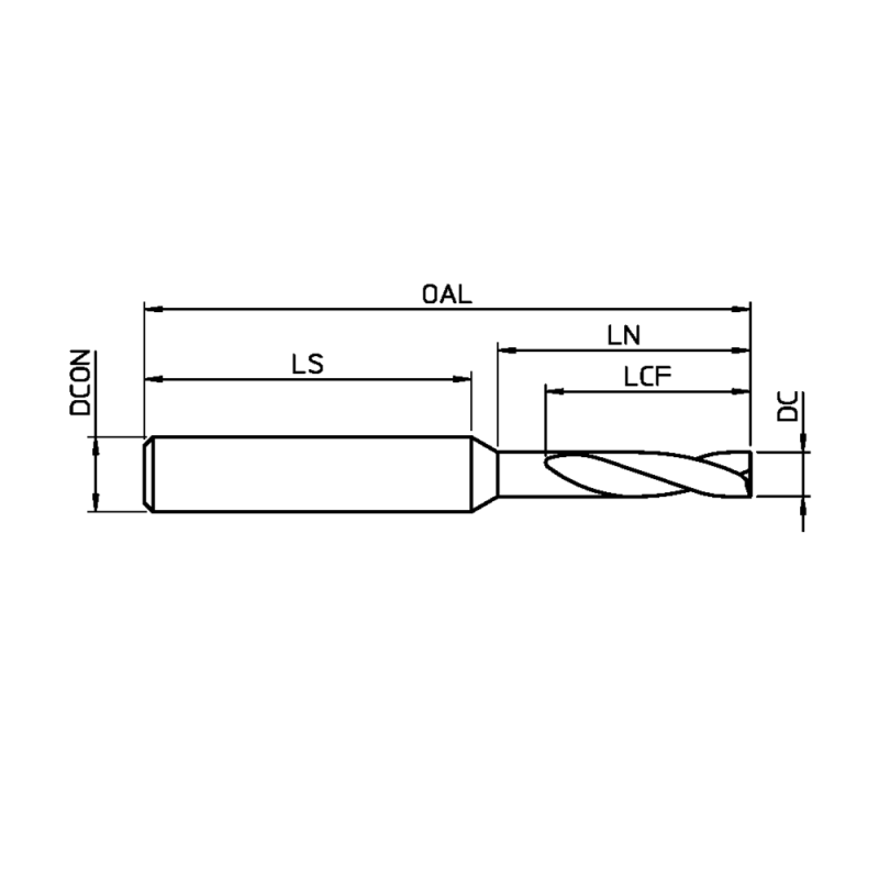
Внутрішній теплоносій:Ні.
Глибина свердління (Rdd):3xD
Діаметр (DC):ø9.10 мм
Діаметр хвостовика (DCON:10.00 мм
Довжина флейти (LCF):28.0 мм
Доставка
Курʼєром по Київу
Курʼєром по Київу Доставимо в день отримання
Новою Поштою у відділення та поштомати
Новою Поштою у відділення та поштомати
за тарифами перевізника
Оплата
оплата за рахунком оплата за рахунком
Дриль SC 9.10 3xD HA
7 933.6 грн.
Опис
KDZ0910X3.0S100N-HP
Характеристики
Характеристики
Внутрішній теплоносій
Ні.
Глибина свердління (Rdd)
3xD
Діаметр (DC)
ø9.10 мм
Діаметр хвостовика (DCON
10.00 мм
Довжина флейти (LCF)
28.0 мм
Загальна довжина (OAL)
80 мм
Кількість флейт
2
Матеріал інструменту
Твердий сплав
Матеріал заготовки
Алюміній <12% Si / Латунь / Бронза / Чавун / Мідь / Загартована сталь < 50 HRC / Сталь 1300 - 1600 Н/мм / Сталь < 1100 - 1300 Н/мм
Покриття
Покритий
Точковий кут (SIG)
180 °
Відгуки

Відгуків про цей товар ще не було.

Немає відгуків про цей товар, станьте першим, залиште свій відгук.

Питання та відповіді
Додайте питання, і ми відповімо найближчим часом.

Немає питань про даний товар, станьте першим і задайте своє питання.

Нещодавно переглянуте
ВХМГ 2 006 055 04 02
Немає в наявності
0
0.0 грн.
ВХМГ 2 008 055 04 02
Немає в наявності
0
0.0 грн.
Дриль SC 7.10 3.0xD HA
Немає в наявності
0
8 259.7 грн.
ВГВТР 4 140 092 14 03 050
Немає в наявності
0
0.0 грн.
Різьбові вставки 1xD Helicoil M8x8 (10 штук)
Немає в наявності
0
0.0 грн.
VHVTR 5 080 072 08 03 050 L033
Немає в наявності
0
0.0 грн.
ВХМГ 2 010 055 04 02
Немає в наявності
0
0.0 грн.
7 933.6 грн.