Вы смотрели
Каталог
Клиенту
Язык:
Валюта:
Тема сайта:
+380 67 192 74 72
Наш адрес
ДП «Абпланалп Украина», ул. Козацкая 120/4, 03022, Киев, Украина
Телефоны:
Время работы
  • Интернет заказы принимаем круглосуточно
  • Отдел продаж
  • ПН – ПТ с 9 до 18
  • СБ-Вс – выходной
E-mail
Мы в соцсетях
Перейти в контакты
0 0
Каталог
Главная
Смотрели
8
Закладки
0
Сравнить
0
Контакты

Soft Steel 100mm (4") Machinable Self-Centering Air Vise Jaws, Tongue and Groove

Производитель: HAAS Модель: 5052
0
Все о товаре
Описание
Характеристики
Отзывы 0
Вопросы0
Soft Steel 100mm (4") Machinable Self-Centering Air Vise Jaws, Tongue and Groove
Soft Steel 100mm (4") Machinable Self-Centering Air Vise Jaws, Tongue and Groove
Soft Steel 100mm (4") Machinable Self-Centering Air Vise Jaws, Tongue and Groove
Soft Steel 100mm (4") Machinable Self-Centering Air Vise Jaws, Tongue and Groove
Нет в наличии
0.0 грн.
Country of Origin:India
Jaw Style:Tongue and Groove
Material:Soft Steel
Vise Holding Type:Self-Centering
Vise Size:4" (100mm)
Доставка
Курьером по Киеву
Курьером по Киеву Доставим в день получения
Новой почтой в отделения и почтоматы
Новой почтой в отделения и почтоматы
по тарифам перевозчика
Оплата
оплата по счету оплата по счету
Soft Steel 100mm (4") Machinable Self-Centering Air Vise Jaws, Tongue and Groove
0.0 грн.
Описание
Характеристики
Характеристики
Country of Origin
India
Jaw Style
Tongue and Groove
Material
Soft Steel
Vise Holding Type
Self-Centering
Vise Size
4" (100mm)
Vise Type
Pneumatic
Weight
9.4 lbs \ 4.3 kg
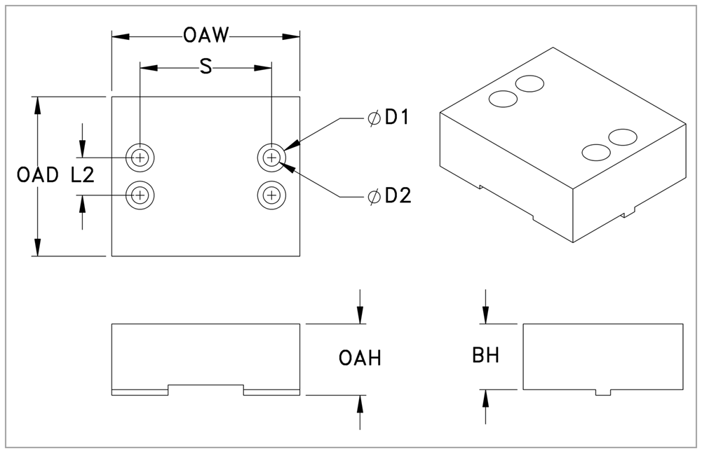
[BH] Body Height
1.38 in \ 35.1 mm
[L2] Length
0.79 in \ 20.0 mm
[OAD] Overall Depth
3.35 in \ 85.0 mm
[OAH] Overall Height
1.5 in \ 43.1 mm
[OAW] Overall Width
3.94 in \ 100.0 mm
[S] Screw Spacing
2.76 in \ 70.0 mm
[ØD1] Counterbore Diameter
0.59 in \ 15.0 mm
[ØD2] Screw Hole Diameter
0.35 in \ 9.0 mm
Отзывы

Нет отзывов о данном товаре.

Нет отзывов о данном товаре, станьте первым, оставьте свой отзыв.

Вопросы и ответы
Добавьте вопрос, и мы ответим в ближайшее время.

Нет вопросов о данном товаре, станьте первым и задайте свой вопрос.

Недавно просмотренное
Turning jaws, hardened for lathe chuck 160/3
Нет в наличии
0
0.0 грн.
Quick change adapters without safety clutch Size 3 | 11x9
Нет в наличии
0
0.0 грн.
Depth gauge 500mm (0.05mm) without hook, base length 150mm
Нет в наличии
0
0.0 грн.
T-slot milling cutter HSS-E DIN851NR 28x12mm Z=6
Нет в наличии
0
0.0 грн.