Вы смотрели
Каталог
Клиенту
Язык:
Валюта:
Тема сайта:
+380 67 192 74 72
Наш адрес
ДП «Абпланалп Украина», ул. Козацкая 120/4, 03022, Киев, Украина
Телефоны:
Время работы
  • Интернет заказы принимаем круглосуточно
  • Отдел продаж
  • ПН – ПТ с 9 до 18
  • СБ-Вс – выходной
E-mail
Мы в соцсетях
Перейти в контакты
0 0
Каталог
Главная
Смотрели
20
Закладки
0
Сравнить
0
Контакты

Soft Steel 6" (150mm) x 1-1/2" (38mm) Machinable Vise Jaws

Производитель: HAAS Модель: 4999
0
Все о товаре
Описание
Характеристики
Отзывы 0
Вопросы0
Нет в наличии
0.0 грн.
Country of Origin:China
Jaw Style:Flat
Material:Soft Steel
Vise Holding Type:Fixed-Jaw
Vise Size:6" (150mm)
Доставка
Курьером по Киеву
Курьером по Киеву Доставим в день получения
Новой почтой в отделения и почтоматы
Новой почтой в отделения и почтоматы
по тарифам перевозчика
Оплата
оплата по счету оплата по счету
Soft Steel 6" (150mm) x 1-1/2" (38mm) Machinable Vise Jaws
0.0 грн.
Описание
Характеристики
Характеристики
Country of Origin
China
Jaw Style
Flat
Material
Soft Steel
Vise Holding Type
Fixed-Jaw
Vise Size
6" (150mm)
Vise Type
Manual
Weight
10.0 lbs \ 4.5 kg
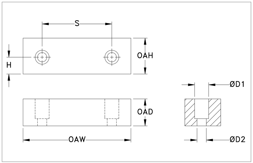
[H] Height of Screw Hole
0.94 in \ 23.8 mm
[OAD] Overall Depth
1.5 in \ 38.1 mm
[OAH] Overall Height
2.0 in \ 50.8 mm
[OAW] Overall Width
6.0 in \ 152.4 mm
[S] Screw Spacing
3.88 in \ 98.4 mm
[ØD1] Counterbore Diameter
0.78 in \ 19.8 mm
[ØD2] Screw Hole Diameter
0.52 in \ 13.1 mm
Отзывы

Нет отзывов о данном товаре.

Нет отзывов о данном товаре, станьте первым, оставьте свой отзыв.

Вопросы и ответы
Добавьте вопрос, и мы ответим в ближайшее время.

Нет вопросов о данном товаре, станьте первым и задайте свой вопрос.

Недавно просмотренное
End Mill Holder Weldon HSK-A 50 - 12 - 80 G2.5 25,000/min.
Нет в наличии
0
0.0 грн.
Shrink fit holder DIN69893 HSK-A63, 12mm A=120mm
Нет в наличии
0
0.0 грн.
Indexable cutting insert CNMG 120404-SM2 ACM20T-HP
Нет в наличии
0
0.0 грн.