Ви дивилися
Мова:
Валюта:
Клієнту
Мова:
Валюта:
+380 67 192 74 72
Наша адреса
ДП «Абпланалп Україна», вул. Козацька 120/4, 03022, Київ, Україна
Телефони
Графік роботи
  • інтернет замовлення приймаємо цілодобово
  • Відділ продажу
  • ПН - ПТ з 9 до 18
  • СБ-НД - вихідний
E-mail
Ми в соцмережах
Перейти до контактів
0 0
Каталог
Каталог
Головна
Дивилися
20
Закладки
0
Порівняти
0
Контакти

Свердло SC 1.30 1.5xD HA

Виробник: Kyocera Код товару: 126423
0
Все про товар
Опис
Характеристики
Відгуки 0
Питання0
Свердло SC 1.30 1.5xD HA
Свердло SC 1.30 1.5xD HA
Свердло SC 1.30 1.5xD HA
Свердло SC 1.30 1.5xD HA
В наявності
3 070.6 грн.
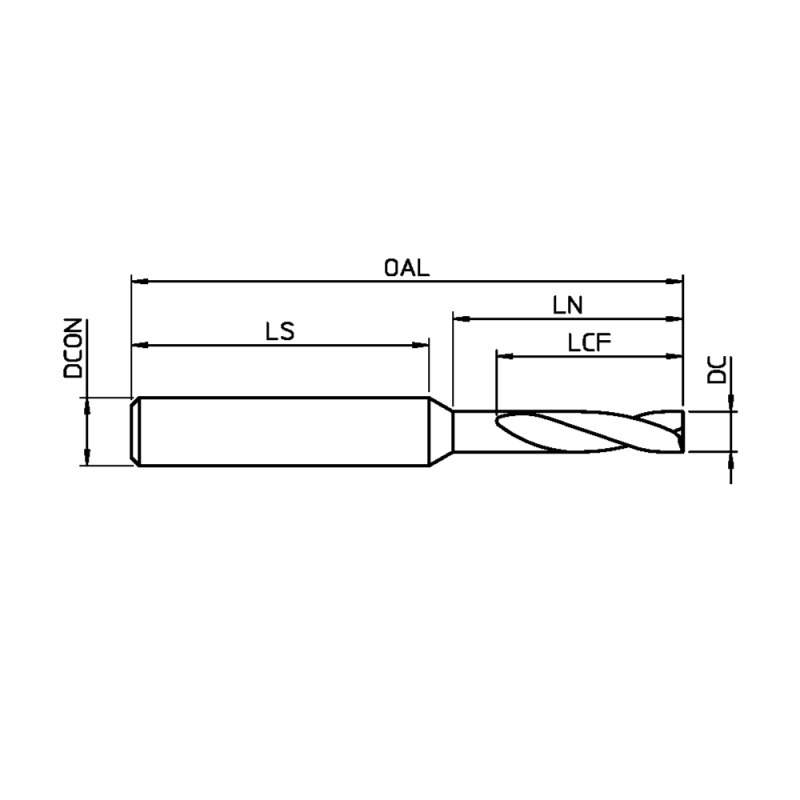
Внутрішній теплоносій:Ні.
Глибина свердління (Rdd):1.5xD
Діаметр (DC):ø1.30 мм
Діаметр хвостовика (DCON:4,00 мм
Довжина флейти (LCF):4,7 мм
Доставка
Курʼєром по Київу
Курʼєром по Київу Доставимо в день отримання
Новою Поштою у відділення та поштомати
Новою Поштою у відділення та поштомати
за тарифами перевізника
Оплата
оплата за рахунком оплата за рахунком
Свердло SC 1.30 1.5xD HA
3 070.6 грн.
Опис
КДЗ0130X1.5S040N
Характеристики
Характеристики
Внутрішній теплоносій
Ні.
Глибина свердління (Rdd)
1.5xD
Діаметр (DC)
ø1.30 мм
Діаметр хвостовика (DCON
4,00 мм
Довжина флейти (LCF)
4,7 мм
Загальна довжина (OAL)
50 мм
Кількість флейт
2
Матеріал інструменту
Твердий сплав
Матеріал заготовки
Алюміній <12% Si / Латунь / Бронза / Чавун / Мідь / Загартована сталь < 50 HRC / Сталь 1300 - 1600 Н/мм / Сталь < 1100 - 1300 Н/мм
Покриття
Покритий
Точковий кут (SIG)
180 °
Відгуки

Відгуків про цей товар ще не було.

Немає відгуків про цей товар, станьте першим, залиште свій відгук.

Питання та відповіді
Додайте питання, і ми відповімо найближчим часом.

Немає питань про даний товар, станьте першим і задайте своє питання.

Нещодавно переглянуте
STR2 20,0x110 R=2,0
Немає в наявності
0
0.0 грн.
Змінна ріжуча пластина VBMT 160402-FM PHH910
Немає в наявності
0
0.0 грн.
КОМПЛЕКТ ТОЧАРНИХ ЩЕЛЕП DF-80+85/4
Немає в наявності
0
0.0 грн.
STR2 10,0x90 R=0,5
Немає в наявності
0
0.0 грн.
ВХМГ 2 003 055 04 02 L030
Немає в наявності
0
0.0 грн.
Свердло SC 6.90 1.5xD HA
Немає в наявності
0
4 727.8 грн.
Тримач для кінцевої фрези Weldon SK 40 - 20 - 63
Немає в наявності
0
0.0 грн.
3 070.6 грн.