Ви дивилися
Мова:
Валюта:
Клієнту
Мова:
Валюта:
+380 67 192 74 72
Наша адреса
ДП «Абпланалп Україна», вул. Козацька 120/4, 03022, Київ, Україна
Телефони
Графік роботи
  • інтернет замовлення приймаємо цілодобово
  • Відділ продажу
  • ПН - ПТ з 9 до 18
  • СБ-НД - вихідний
E-mail
Ми в соцмережах
Перейти до контактів
0 0
Каталог
Каталог
Головна
Дивилися
20
Закладки
0
Порівняти
0
Контакти

Свердло SC 2.70 1.5xD HA

Виробник: Kyocera Код товару: 126639
0
Все про товар
Опис
Характеристики
Відгуки 0
Питання0
Свердло SC 2.70 1.5xD HA
Свердло SC 2.70 1.5xD HA
Свердло SC 2.70 1.5xD HA
Свердло SC 2.70 1.5xD HA
В наявності
3 070.6 грн.
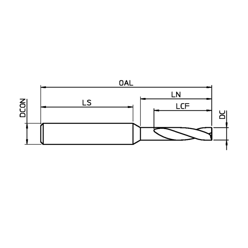
Внутрішній теплоносій:Ні.
Глибина свердління (Rdd):1.5xD
Діаметр (DC):ø2.70 мм
Діаметр хвостовика (DCON:4,00 мм
Довжина флейти (LCF):9,1 мм
Доставка
Курʼєром по Київу
Курʼєром по Київу Доставимо в день отримання
Новою Поштою у відділення та поштомати
Новою Поштою у відділення та поштомати
за тарифами перевізника
Оплата
оплата за рахунком оплата за рахунком
Свердло SC 2.70 1.5xD HA
3 070.6 грн.
Опис
KDZ0270X1.5S040N-HP
Характеристики
Характеристики
Внутрішній теплоносій
Ні.
Глибина свердління (Rdd)
1.5xD
Діаметр (DC)
ø2.70 мм
Діаметр хвостовика (DCON
4,00 мм
Довжина флейти (LCF)
9,1 мм
Загальна довжина (OAL)
50 мм
Кількість флейт
2
Матеріал інструменту
Твердий сплав
Матеріал заготовки
Алюміній <12% Si / Латунь / Бронза / Чавун / Мідь / Загартована сталь < 50 HRC / Сталь 1300 - 1600 Н/мм / Сталь < 1100 - 1300 Н/мм
Покриття
Покритий
Точковий кут (SIG)
180 °
Відгуки

Відгуків про цей товар ще не було.

Немає відгуків про цей товар, станьте першим, залиште свій відгук.

Питання та відповіді
Додайте питання, і ми відповімо найближчим часом.

Немає питань про даний товар, станьте першим і задайте своє питання.

Нещодавно переглянуте
Фланець плоский 200, DIN 55027-5"
Немає в наявності
0
0.0 грн.
ВХМСК 2 030 064 06 03 L200
Немає в наявності
0
0.0 грн.
КОМПЛЕКТ ТОЧАРНИХ ЩЕЛЕП DF-160/3
Немає в наявності
0
0.0 грн.
КОМПЛЕКТ БАЗОВИХ ЩЕЛЕП DF-100/4MZ
Немає в наявності
0
0.0 грн.
ВХКФ 2 040 064 06 03 Л160
Немає в наявності
0
0.0 грн.
Змінна ріжуча пластина CBN CCGW 060202 ABC X15-B-2
Немає в наявності
0
0.0 грн.
Свердло SC 17.00 1.5xD HA
Немає в наявності
0
21 621.1 грн.
3 070.6 грн.