Ви дивилися
Мова:
Валюта:
Клієнту
Мова:
Валюта:
+380 67 192 74 72
Наша адреса
ДП «Абпланалп Україна», вул. Козацька 120/4, 03022, Київ, Україна
Телефони
Графік роботи
  • інтернет замовлення приймаємо цілодобово
  • Відділ продажу
  • ПН - ПТ з 9 до 18
  • СБ-НД - вихідний
E-mail
Ми в соцмережах
Перейти до контактів
0 0
Каталог
Каталог
Головна
Дивилися
8
Закладки
0
Порівняти
0
Контакти

Свердло SC 3.50 3xD HA

Виробник: Kyocera Код товару: 126536
0
Все про товар
Опис
Характеристики
Відгуки 0
Питання0
Свердло SC 3.50 3xD HA
Свердло SC 3.50 3xD HA
Свердло SC 3.50 3xD HA
Свердло SC 3.50 3xD HA
В наявності
4 091.9 грн.
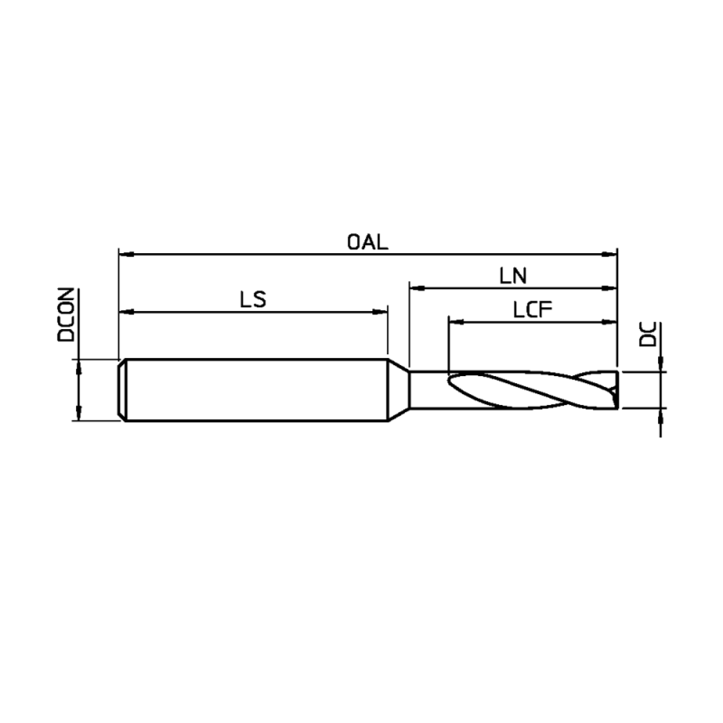
Внутрішній теплоносій:Ні.
Глибина свердління (Rdd):3xD
Діаметр (DC):ø3.50 мм
Діаметр хвостовика (DCON:6,00 мм
Довжина флейти (LCF):17,0 мм
Доставка
Курʼєром по Київу
Курʼєром по Київу Доставимо в день отримання
Новою Поштою у відділення та поштомати
Новою Поштою у відділення та поштомати
за тарифами перевізника
Оплата
оплата за рахунком оплата за рахунком
Свердло SC 3.50 3xD HA
4 091.9 грн.
Опис
KDZ0350X3.0S060N
Характеристики
Характеристики
Внутрішній теплоносій
Ні.
Глибина свердління (Rdd)
3xD
Діаметр (DC)
ø3.50 мм
Діаметр хвостовика (DCON
6,00 мм
Довжина флейти (LCF)
17,0 мм
Загальна довжина (OAL)
60 мм
Кількість флейт
2
Матеріал інструменту
Твердий сплав
Матеріал заготовки
Алюміній <12% Si / Латунь / Бронза / Чавун / Мідь / Загартована сталь < 50 HRC / Сталь 1300 - 1600 Н/мм / Сталь < 1100 - 1300 Н/мм
Покриття
Покритий
Точковий кут (SIG)
180 °
Відгуки

Відгуків про цей товар ще не було.

Немає відгуків про цей товар, станьте першим, залиште свій відгук.

Питання та відповіді
Додайте питання, і ми відповімо найближчим часом.

Немає питань про даний товар, станьте першим і задайте своє питання.

Нещодавно переглянуте
Тримач для кінцевої фрези Weldon BT 50 - 20 - 80
Немає в наявності
0
0.0 грн.
Радіусний калібр 15,5-25 мм
Немає в наявності
0
0.0 грн.
Різьбові калібри Go DIN13, набір M3-M12 6g
Немає в наявності
0
0.0 грн.
Змінна ріжуча пластина SNKX 1606 ANER-MP PH7920
Немає в наявності
0
0.0 грн.
Обертовий токарний центр | MK 5
Немає в наявності
0
0.0 грн.
Настільний розмагнічувач 250x180x87 мм
Немає в наявності
0
0.0 грн.
VHVTRI 4 080 064 08 03 100 л
Немає в наявності
0
0.0 грн.
Свердло SC 4.50 3.0xD HA
В наявності
0
6 304.0 грн.
4 091.9 грн.