Ви дивилися
Мова:
Валюта:
Клієнту
Мова:
Валюта:
+380 67 192 74 72
Наша адреса
ДП «Абпланалп Україна», вул. Козацька 120/4, 03022, Київ, Україна
Телефони
Графік роботи
  • інтернет замовлення приймаємо цілодобово
  • Відділ продажу
  • ПН - ПТ з 9 до 18
  • СБ-НД - вихідний
E-mail
Ми в соцмережах
Перейти до контактів
0 0
Каталог
Каталог
Головна
Дивилися
20
Закладки
0
Порівняти
0
Контакти

Термоусадочний тримач DIN69893 HSK-A63, 8 мм A=120 мм

Виробник: ATORN Код товару: 39287
0
Все про товар
Опис
Характеристики
Відгуки 0
Питання0
Термоусадочний тримач DIN69893 HSK-A63, 8 мм A=120 мм
Термоусадочний тримач DIN69893 HSK-A63, 8 мм A=120 мм
Термоусадочний тримач DIN69893 HSK-A63, 8 мм A=120 мм
Термоусадочний тримач DIN69893 HSK-A63, 8 мм A=120 мм
Немає в наявності
0.0 грн.
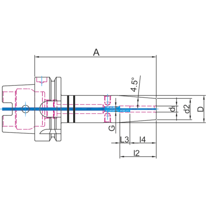
a:120 мм
D:27 мм
D1:8 мм
D2:21 мм
DIN:69893-1
Доставка
Курʼєром по Київу
Курʼєром по Київу Доставимо в день отримання
Новою Поштою у відділення та поштомати
Новою Поштою у відділення та поштомати
за тарифами перевізника
Оплата
оплата за рахунком оплата за рахунком
Термоусадочний тримач DIN69893 HSK-A63, 8 мм A=120 мм
0.0 грн.
Опис
Термоусадочні кріплення 4,5°
  • Висока справжня точність ходу менше 0,003 мм
  • Найвища точність розмірів заготовки
  • Передача високого крутного моменту
  • Діапазон 4,5°
  • Висока контурна гнучкість
  • Жаростійка низьковуглецева сталь
  • Збалансовано до G 2.5 / 25 000 об/хв
  • З отвором для стружки Balluff

HSK-A DIN 69893
  • Внутрішня подача охолоджувальної рідини
  • Під час обробки з внутрішньою подачею охолоджувальної рідини слід використовувати трубку для перекачування охолоджувальної рідини, артикул № 431011....



      Характеристики
      Характеристики
      a
      120 мм
      D
      27 мм
      D1
      8 мм
      D2
      21 мм
      DIN
      69893-1
      L2
      36 мм
      L3
      10 мм
      L4
      26 мм
      Вага
      1 кг
      Глибина затиску
      36 мм
      Дизайн
      стандартний
      Допуск на концентричність
      0,003 мм
      Підходить для різьблення
      M6
      Пакувальна одиниця
      1
      Подача охолоджуючої рідини
      Внутрішній осьовий
      Пристрій для утримання інструменту
      HSK 63
      Розмір під ключ
      3 мм
      Розмір різьби
      M6
      Тип конуса
      HSK 63
      Хвостовик
      HSK 63
      Якість балансування
      G 2.5 при 25 000 об/хв
      Відгуки

      Відгуків про цей товар ще не було.

      Немає відгуків про цей товар, станьте першим, залиште свій відгук.

      Питання та відповіді
      Додайте питання, і ми відповімо найближчим часом.

      Немає питань про даний товар, станьте першим і задайте своє питання.

      Нещодавно переглянуте
      Нарізання різьби по HSS EN22568 M8x0.75 6g LH
      Немає в наявності
      0
      0.0 грн.