Ви дивилися
Мова:
Валюта:
Клієнту
Мова:
Валюта:
+380 67 192 74 72
Наша адреса
ДП «Абпланалп Україна», вул. Козацька 120/4, 03022, Київ, Україна
Телефони
Графік роботи
  • інтернет замовлення приймаємо цілодобово
  • Відділ продажу
  • ПН - ПТ з 9 до 18
  • СБ-НД - вихідний
E-mail
Ми в соцмережах
Перейти до контактів
0 0
Каталог
Каталог
Головна
Дивилися
16
Закладки
0
Порівняти
0
Контакти

Змінна ріжуча пластина PFB160-SP XP3320

Виробник: OSG Код товару: 49368
0
Все про товар
Опис
Характеристики
Відгуки 0
Питання0
Змінна ріжуча пластина PFB160-SP XP3320
Змінна ріжуча пластина PFB160-SP XP3320
Змінна ріжуча пластина PFB160-SP XP3320
Змінна ріжуча пластина PFB160-SP XP3320
Немає в наявності
0.0 грн.
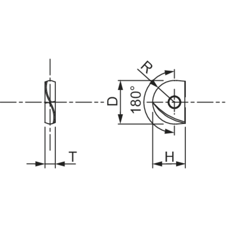
D:16 мм
R:8 мм
Глибина:4 мм
Дані для розкрою:Інформація про кут різання - так
Дизайн:XP3320
Доставка
Курʼєром по Київу
Курʼєром по Київу Доставимо в день отримання
Новою Поштою у відділення та поштомати
Новою Поштою у відділення та поштомати
за тарифами перевізника
Оплата
оплата за рахунком оплата за рахунком
Змінна ріжуча пластина PFB160-SP XP3320
0.0 грн.
Опис
Кульовий різець PFB
  • Точність радіуса ± 6 мкм
  • Висока продуктивність
  • Кульковий різак для обробки
  • 2 ріжучі кромки
  • Спіральні, стабільні та надзвичайно гострі ріжучі кромки
  • Сталеві та твердосплавні хвостовики
  • Короткі, довгі та наддовгі моделі
Переваги
  • Оптимальна обробка поверхні з короткими та довгими виступаючими довжинами
  • Зменшення вібрації

Тип SP
Характеристики
Характеристики
D
16 мм
R
8 мм
Глибина
4 мм
Дані для розкрою
Інформація про кут різання - так
Дизайн
XP3320
Модель
1
Пакувальна одиниця
1
Тип
PFB160-SP
Ширина губки
12 мм
Відгуки

Відгуків про цей товар ще не було.

Немає відгуків про цей товар, станьте першим, залиште свій відгук.

Питання та відповіді
Додайте питання, і ми відповімо найближчим часом.

Немає питань про даний товар, станьте першим і задайте своє питання.

Нещодавно переглянуте